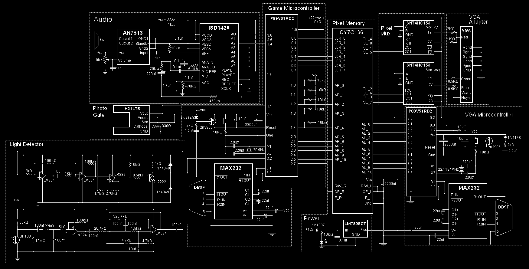
Circuit for the EECE 374 arcade shooter project. Share this: Share on X (Opens in new window) X Share on Facebook (Opens in new window) Facebook Like Loading...